銷售電話:16652863761
銷售Q Q:2749609891
公司郵箱:2749609891@qq.com
公司地址:山東省濰坊市高新區光電路155號光電產業加速器(一期)
農業氣象站先行者 新農業設備優質供應商
打造智慧農業設備馳名品牌
銷售電話:16652863761
銷售Q Q:2749609891
公司郵箱:2749609891@qq.com
公司地址:山東省濰坊市高新區光電路155號光電產業加速器(一期)

土壤溫濕鹽傳感器廠家風途科技是專業土壤溫濕鹽傳感器生產廠家,強大的研發技術團隊掌握土壤溫濕鹽傳感器研發技術,儀器檢測結果準確,安裝方便快速,深受消費者青睞!
一、土壤溫濕鹽傳感器技術指標
土壤溫濕鹽傳感器又稱土壤水分溫度鹽分傳感器,土壤溫濕鹽傳感器是一款高精度、高靈敏度的測量土壤溫度、濕度、鹽分的傳感器。
1.供電:DC12V
2.功耗:小于0.1W
3.工作溫度:-30~70℃
4.通信接口:RS485
5.工作電流:8mA DC12V
6.最短數據間隔:60S
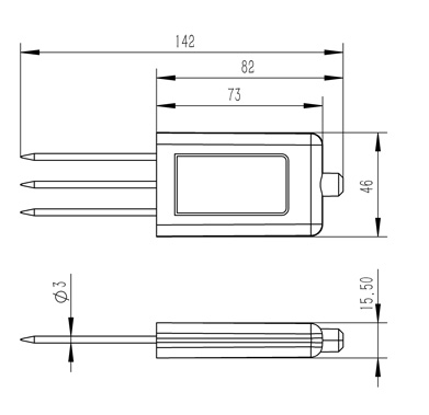
二、土壤溫濕鹽傳感器產品尺寸圖

三、土壤溫濕鹽傳感器使用注意事項
1.傳感器安裝應嚴格按照安裝使用說明書進行。
2.多個傳感器同時工作時,必須間隔5米以上距離。
3.傳感器測量原理限制,傳感器測量地為中心半徑5米范圍內不應有電磁線纜和強磁輻射干擾,
避免造成傳感器測量的巨大誤差和損壞。
4.傳感器的安裝環境應該符合傳感器的測量范圍,避免超量程等不規范行為。
5.傳感器安裝應避開強酸強堿、重油污重金屬環境進行。
6.傳感器為土壤測量傳感器,禁止將本傳感器對其他行為。
7.傳感器安裝環境不能有強振動。
8.傳感器不能有過強外力作用。
9.禁止拆卸,私自拆卸將不提供任何服務。
10.傳感器探針較為鋒利,使用時應按規定注意佩戴護具。
11.設備使用和維護應嚴格按照上述注意事項進行,如有違規使用的行為,本司不承擔相關負責
四、土壤溫濕鹽傳感器傳感器參數
| 參數 | 測量范圍 | 精度 | 分辨率 | 單位 |
| 土壤溫度 | -30~70℃ | ±0.3(-10~50℃) | 0.01 | ℃ |
| 土壤含水率 | 0~100% | ±3%(壤土)高有機質土壤(土壤有機碳含量>12%)高粘粒含量土壤(粘粒含量>45%)由于其介電弛豫特性,可能需要針對特定土壤類型進行標定 | 0.01% | --- |
| 土壤電導率 | 0~20000 | ±3%(15℃,0~10000us/cm)±5%(全量程) | 1 | us/cm |
| 土壤含鹽量 | 0~12800 | ±3% | 1 | mg/L |
農業氣象觀測儀器能對與農作物生長密切相關的土壤、水氣、光照、熱量等環境因子進行連續監測,為農業生產、···
遠程拍照式孢子捕捉系統是一種用來收集空氣中傳播的病原菌孢子和花粉顆粒的設備。它能幫助檢測孢子的數量和···
農業氣象站基于計算機網絡與移動通信技術、物聯網傳感器技術等,實現了天氣信息實時采集傳輸、數據傳輸、遠···
農業氣象儀想必許多農業種植者對它并不陌生,它自身的功能是用于監測和記錄田間溫度,濕度,光照強度,光合···
農業環境監測站是指在農作物生長期間對其進行氣象環境監測,并根據相關數據做出相應評價和建議,以保證農作···
?農業氣象站哪個廠家好?請咨詢山東風途科技!公司擁有專業的技術團隊和完善的服務體系。主要生產經營:各···